JR-PL-1800 眼鏡拼料機
眼鏡拼料機
設備具有耗能小,噪音低,環(huán)保(加工中不使用丙酮),操作簡便,加工速度快焊接強度高,成品率高等特點
主要應用
JR-PL-1800眼鏡拼料機,用于拼接塑膠眼鏡的樁頭、葉子的專用加工設備,最大拼接長度為180毫米、拼接寬度為60毫米的熱塑性工件。其模塊化的系統(tǒng)機構,維修保養(yǎng)十分方便。設備具有耗能小,噪音低,環(huán)保(加工中不使用丙酮),操作簡便,加工速度快焊接強度高,成品率高等特點。
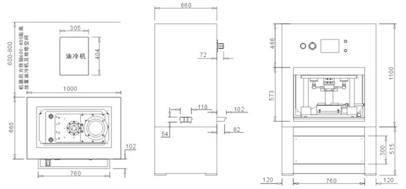
外形尺寸

此尺寸僅提供機器安置空間參考用途,機器本身精確尺寸以實物為準!
主要特性和優(yōu)點
1、控制系統(tǒng):采用臺灣新代控制器具有易學易用穩(wěn)定性好的特點。
2、驅(qū)動系統(tǒng):振動頭采用高轉速,高扭矩,低能耗的專業(yè)定制電機,運行更加穩(wěn)定可靠。
3、夾緊,定位,取料都為自動控制,操作簡單,一氣呵成。
4、加工時間短,成功率高。
5、粘合性強,焊接處無氣泡,能完全融合。
6、可控制板材拼接厚度,拼接后可立即進入下一步驟加工。
7、采用雙抽風排氣設計,既有效的為主要部件散熱,又凈化了拼料工作區(qū)域的環(huán)境。
8、在機器結構和配置上,充分的考慮了操作人員的舒適度和方便性。
| 最大拼接長度(mm) | 180 |
| 最大拼接寬度(mm) | 60 |
| 升降行程(mm) | 150 |
| 振幅范圍(mm) | 1 |
| 額定功率(kw) | 3 |
| 額定電壓(V) | 380 |